Натяжное устройство CRESA RE 30 (SE 18)
5 633 руб./шт
Уточните наличие и цену
Нашли дешевле?
Запрос цены
Наши менеджеры обязательно свяжутся с вами и уточнят условия заказа
Цена действительна при наличии товара на складе.
Минимальная сумма заказа - 1000 рублей.
Ответим на все интересующие вопросы и подберём оптимальный вариант info@euromehanika.ru
Описание
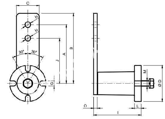
Рычаг натяжителя RE 30 (SE 18) применяется для натяжения в ременных и цепных передачах промышленного оборудования. Является одним из элементов натяжного устройства.Материал исполнения корпуса: из стали.
Рычаг изготовлен из стали.
Элементы корпуса окрашены краской. Винты оцинкованные.
Применяется при рабочих температурах от – 40° C до + 80° C.
Характеристики
|
D, мм
|
60 |
|
H, мм
|
10,5 |
|
L, мм
|
10 |
|
G, мм
|
9 |
|
I, мм
|
77 |
|
P, мм
|
M6 |
|
M, мм
|
M10x30 |
|
T, мм
|
40 |
|
J, мм
|
80 |
|
O, мм
|
6 |
|
Newton 0°-30° Плечо А
|
0÷ 380 |
|
Newton 0°-30° Плечо J
|
0÷ 475 |
|
A, мм
|
100 |
|
B, мм
|
115 |
|
C, мм
|
35 |
|
Материал
|
Сталь |
|
Производитель
|
Tecnidea Cidue S.R.L. |
|
Вес, кг
|
0,73 |
Наличие
Новости
Все новости
6 апреля 2026
Нашли дешевле? Мы предложим максимально выгодную цену!
12 марта 2026
«Евромеханика» получила благодарственное письмо
6 марта 2026
Поздравляем с 8 Марта!




























