Натяжное устройство SE 18 (RE 30), EMT
3 850 руб./шт
Есть в наличии
Нашли дешевле?
-
+
В корзину
Купить в 1 клик
Цена действительна при наличии товара на складе.
Минимальная сумма заказа - 1000 рублей.
Ответим на все интересующие вопросы и подберём оптимальный вариант info@euromehanika.ru
Описание
Натяжное устройство тип SE 18 (RE 30), бренда EMT, предназначено для регулировки и поддержания оптимального натяжения ленты транспортера. Это позволяет предотвратить проскальзывание, провисание и преждевременный износ ленты, обеспечивая бесперебойную работу конвейера. Натяжное устройство типа SE отличается высокой прочностью и надежностью благодаря использованию высококачественных материалов и эластомерной вставки, выполненной из высокоэластичногонатурального каучука, обладающего отличной памятью
формы. Оно обеспечивает плавную регулировку натяжения, что позволяет точно настроить работу конвейера под конкретные задачи. Конструкция устройства проста и удобна в обслуживании, что минимизирует время простоя оборудования. Рабочая температура данных устройств
находится в температурном диапазоне от -40 до 80 °C
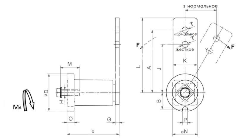
Характеристики
|
Тип
|
SE 18 |
|
D, мм
|
58 |
|
H, мм
|
М10 |
|
L, мм
|
115 |
|
G, мм
|
7 |
|
e, мм
|
79 |
|
P, мм
|
8,5 |
|
N, мм
|
35 |
|
M, мм
|
30 |
|
T, мм
|
10,5 |
|
J, мм
|
80 |
|
K, мм
|
30 |
|
O, мм
|
10,5 |
|
A, мм
|
100 |
|
B, мм
|
25,3 |
|
Материал
|
Сталь |
|
Производитель
|
EMT |
|
Вес, кг
|
0,6 |
Наличие
Новости
Все новости
6 апреля 2026
Нашли дешевле? Мы предложим максимально выгодную цену!
12 марта 2026
«Евромеханика» получила благодарственное письмо
6 марта 2026
Поздравляем с 8 Марта!




























