Подшипник 7311-B-XL-JP FAG
Артикул:
7311BXLJPFAG
Подшипник 7311-B-XL-JP FAG
Подробнее
Уточните наличие и цену
Нашли дешевле?
Запрос цены
Наши менеджеры обязательно свяжутся с вами и уточнят условия заказа
Цена действительна при наличии товара на складе.
Минимальная сумма заказа - 1000 рублей.
Ответим на все интересующие вопросы и подберём оптимальный вариант info@euromehanika.ru
Описание
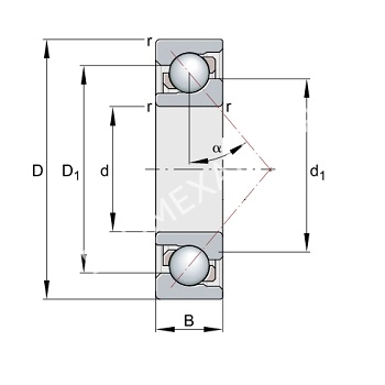
Шариковые радиально-упорные подшипники воспринимают высокие радиальные и осевые нагрузки в одном направлении. Бывают открытыми и закрытыми уплотнениями, с дополнительным обозначением 2RS. Могут быть установлены парами, а так же в комплекты до четырех штук с регулированием осевого зазора. Угол контакта 40 град.Характеристики
|
Диаметр отверстия подшипника, d, мм
|
55 |
|
Наружный диаметр подшипника, D, мм
|
120 |
|
Ширина подшиника, B, мм
|
29 |
|
Угол конакта, град
|
40 |
|
Количесво рядов тел качения
|
Однорядный |
|
D1, мм
|
95,3 |
|
Уплотнения
|
Нет |
|
r мин., мм
|
2 |
|
d1, мм
|
80,3 |
|
Динамическая грузоподъемность, радиальная, Cr, Н
|
86 000 |
|
Статическая грузоподъемность, радиальная, C0r, Н
|
61 000 |
|
Нагрузка предела усталости, радиальная, Cur, Н
|
4 100 |
|
Предельная частота вращения, nG, об/мин
|
6 300 |
|
Базовая тепловая частота вращения, nB, об/мин
|
5 600 |
|
Производитель
|
FAG |
|
Вес, кг
|
1,46 |
Наличие
Новости
Все новости
6 апреля 2026
Нашли дешевле? Мы предложим максимально выгодную цену!
12 марта 2026
«Евромеханика» получила благодарственное письмо
6 марта 2026
Поздравляем с 8 Марта!




























