Шкив зубчатый под расточку 56 14M 40, EMT
15 721 руб./шт
Есть в наличии
Нашли дешевле?
-
+
В корзину
Купить в 1 клик
Цена действительна при наличии товара на складе.
Минимальная сумма заказа - 1000 рублей.
Ответим на все интересующие вопросы и подберём оптимальный вариант info@euromehanika.ru
Описание
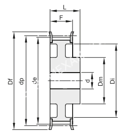
Шкив зубчатый под расточку, для ремней с профилем зуба 14M и шириной ремня 40 мм, с числом зубьев шкива Z= 56. Применяются в высоконагружены приводах для передачи больших крутящих моментов, могут применяться на тихоходных машинах. Материал шкива GG. Вес детали 28 кг. Торговая марка EMT.Характеристики
|
Тип
|
3F |
|
Профиль зуба
|
14M |
|
Ширина ремня
|
40 |
|
Число зубьев, шт
|
56 |
|
Посадка на вал
|
Под расточку |
|
Наружный диаметр, de, мм
|
249,55 |
|
Диаметр ступицы, dm, мм
|
246,76 |
|
Di, мм
|
256 |
|
Ширина F, мм
|
135 |
|
Ширина шкива L, мм
|
207 |
|
Диаметр чернового отверстия d, мм
|
54 |
|
Материал
|
GG |
|
Производитель
|
EMT |
|
Вес, кг
|
28 |
Наличие
Новости
Все новости
6 апреля 2026
Нашли дешевле? Мы предложим максимально выгодную цену!
12 марта 2026
«Евромеханика» получила благодарственное письмо
6 марта 2026
Поздравляем с 8 Марта!





























