Модуль линейный (каретка) SCJ 60 UU (SC60AJ), EMT
13 526 руб./шт
Есть в наличии
Нашли дешевле?
-
+
В корзину
Купить в 1 клик
Цена действительна при наличии товара на складе.
Минимальная сумма заказа - 1000 рублей.
Ответим на все интересующие вопросы и подберём оптимальный вариант info@euromehanika.ru
Описание
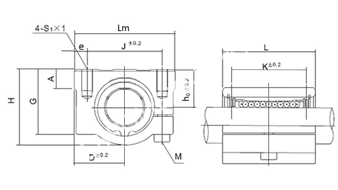
Регулируемый модуль линейный (каретка) закрытого типа SCJ (SCAJ) в алюминиевом корпусе, диаметром 60мм предназначен для высокоточного перемещения по цилиндрическим направляющим. Имеет винт, с помощью которого можзно устранить люфт и выбрать оптимальную степень натяга.Характеристики
|
Тип
|
SCJ(SCAJ) |
|
Тип подшипника
|
LM60UUAJ |
|
Диаметр отверстия, d, мм
|
60 |
|
D, мм
|
66 |
|
Исполнение отверстия
|
M12x25 |
|
H, мм
|
114 |
|
L, мм
|
122,0 |
|
G, мм
|
94 |
|
ho, мм
|
58 |
|
Lm, мм
|
132 |
|
e, мм
|
12,0 |
|
Тип болта, мм
|
М8 |
|
J, мм
|
108 |
|
K, мм
|
90 |
|
A, мм
|
30,0 |
|
Динамическая грузоподъемность, радиальная, Cr, Н
|
4710 |
|
Статическая грузоподъемность, радиальная, C0r, Н
|
10000 |
|
Материал
|
Алюминий |
|
Производитель
|
EMT |
|
Вес, кг
|
4,72 |
Наличие
Новости
Все новости
6 апреля 2026
Нашли дешевле? Мы предложим максимально выгодную цену!
12 марта 2026
«Евромеханика» получила благодарственное письмо
6 марта 2026
Поздравляем с 8 Марта!




























